北京总部
孙涛:186-0123-0256
座机:010-53393028
企业邮箱:zdhlkj@163.com
地址:北京市通州区九棵树街道金成中心1607
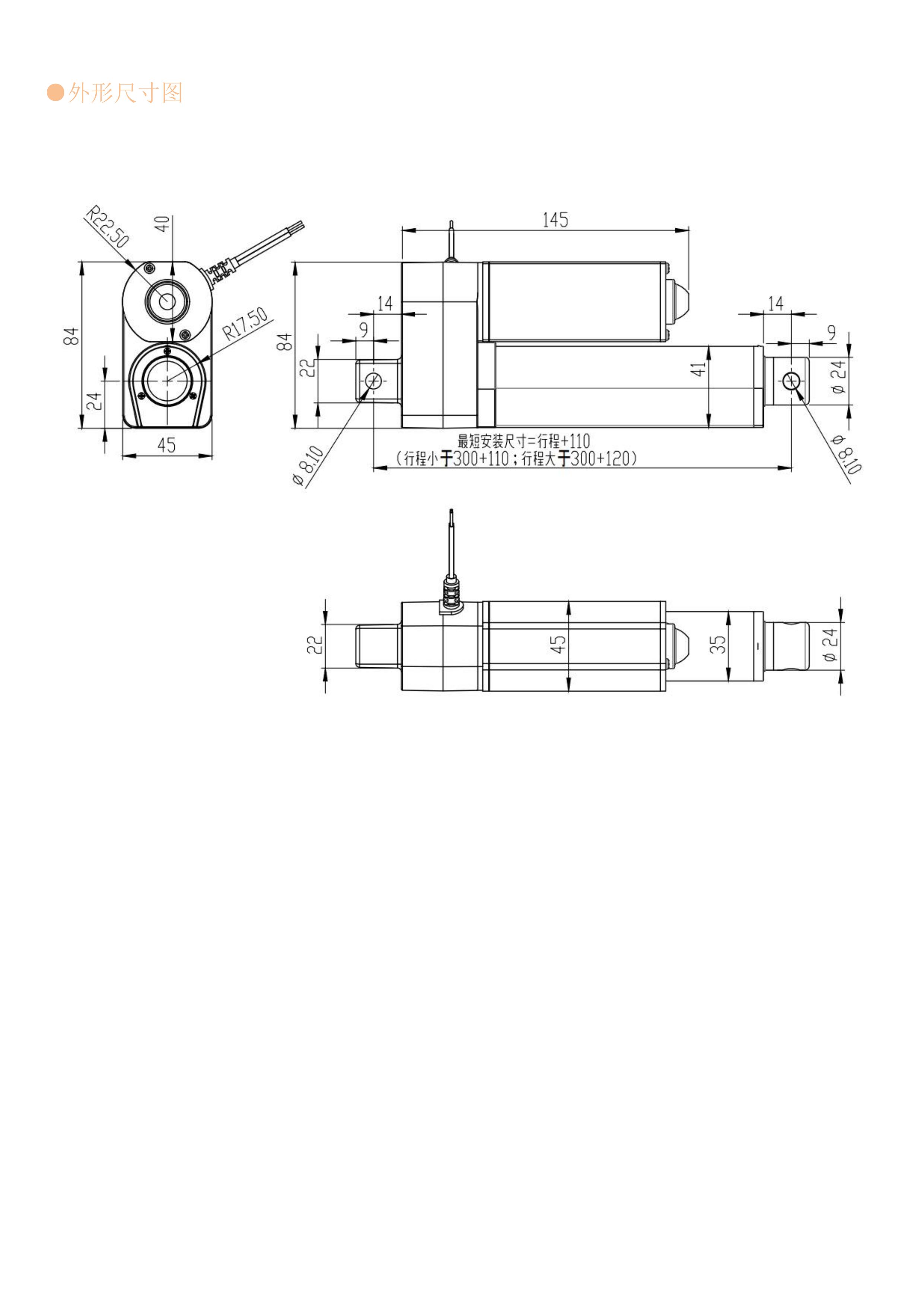
HLZ32A是为家具、医疗行业专用开发设计的产品,同时该产品也可跨越兼顾工业产品使用、此款产品安装尺寸紧凑,使用大马力永磁直流马达,超静音设计,是医疗、家具、工业行业不可或缺的重要产品。
丝杆类型:梯形螺牙
输入电压:12V/24VDC
最大负载:4000N
最大速度:20mm/s
最大行程:1000mm
行程开关:内置
保护等级:IP54
使用频率:10%,2min.on/18min.off
控制方式:有线、无线
环境温度:-15~45℃
噪声指数:≤55dB
最小安装尺寸:110+行程